Hodiny, stopky, skóre

Konstrukce nalezne uplatnění v především ve školních tělocvičnách, kde se vyskytne potřeba zobrazit skóre zápasu a další užitečné údaje. K ovládání je použito PC se spuštěným obslužným programem a ke zobrazení se používá zde popsaný přípravek připojený na paralelní port.

Technické údaje

  • Napájecí napětí: 5 - 15 V
  • Připojení k PC: Paralelní port (LPT)
  • Maximální zobrazená hodnota skóre: 99:99
  • Maximální hodnota stopek: 23:59 hod
  • Popis funkce

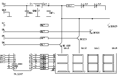
    Už z prvního pohledu na schéma je jasné, že přípravek se skutečně stará jen o zobrazení a veškerá dřina je vykonána na straně PC.

    Napájecí napětí Ucc se pohybuje mezi 5 a 15 V. Po připojení je upraveno stabilizátorem Io1 7805 na hodnotu 5 V. Kondenzátory C1 a C2 jsou filtrační. Ihned po připojení napájení se rozsvítí led diody D1 a D2, fungující co dvojtečka. Rezistor R1 je ochranný a jeho hodnota je orientační, led diody nesmějí svým jasem zatlačovat údaj na číslicovkách do pozadí.

    Komunikace probíhá přes paralelní port v režimu SPP, přípravek pouze vyhodnocuje data vystavená na portu a zobrazuje je. Program tedy může běžet i tehdy, není-li přípravek připojen. Čtyři spodní bity (D0 - D3), představují zapisovanou číslici, zbývající horní bity (D4 - D7) už jednotlivě rozsvěcují danou číslici. O správnou synchronizaci se stará aplikace.

    Pro převod čtyřbitového čísla z datových výstupů na sedmisegmentový displej je použit Io2 74LS247 (lze použít i 74LS47, ten ale zobrazuje číslici 6 bez horního a 9 bez dolního segmentu). Hodnoty odporů R6 - R12 jsou pouze orientační, záleží na typu použitého displeje.

    Multiplex číslicovek obstarává opět PC, každé číslici náleží jeden datový výstup, který přes tranzistor spíná svou číslici. Tranzistory BC639 snesou proud až 1 A, je zde tedy dostatečná rezerva pro spínání mnohem větších číslicovek.

    Konstrukce

    Přípravek je vyveden na dvou deskách plošných spojů, první obsahuje všechny součástky až na zobrazovací prvky (číslicovky a led diody). Na desce druhé, jsou pak umístěny led diody a displej. První deska má rozměry 60 × 45 mm, druhá 85 45 mm. Obě jsou jednostranné, DPS 2 obsahuje velké množství drátových propojek, mnoho jich je pod číslicovkami. Poněkud složitější situace je při montáži led diod D1 a D2, jak je patrné z obr. 1, zohnutím nožek led diod je dosaženo efektu vertikálně centrované dvojtečky - led diody musí být asi o 5mm posunuté, oproti pozici dané umístěním na DPS.

    Ovládací program

    Ovládací program je jednoduchý a jeho obsluha intuitivní. Přesto neuškodí seznámím-li vás se všemi jeho možnostmi. Na jeho vývoji neustále pracuji, takže se můžete těšit na další zdokonalení.

    Hodiny
    První a nejjednodušší funkcí programu jsou hodiny, není zde žádné nastavení, zobrazí se pouze čas nastavený v systému.
    Stopky
    Pod druhou záložkou se skrývají stopky. Po stisknutí tlačítka Start se stopky rozběhnou a jsou zobrazovány sekundy a setiny sekundy, dosáhne-li čas hodnoty 59:99 automaticky se přepne do zobrazení minut a sekund, při údaji 59:59 se zobrazují pouze hodiny a minuty a konečně po dosažení hodnoty 23:59 stopky se vynulují. Stopky je možné kdykoli zastavit stiskem tlačítka Stop, tlačítko reset vynuluje údaj na stopkách, bez ohledu na to zda běží, či ne.
    Skóre
    Třetí a stěžejní funkcí aplikace je skóre. Pro většinu sportů je maximální údaj 99:99 zcela dostačující, problémy mohou nastat jedině při házené a basketbalu. Po dosažení oné maximální hodnoty 99:99 se údaje vynulují a skóre se počítá opět od nuly. Funkce tlačítek je zřejmá z jejich názvu, tak jen krátce. Skóre domácích je na levé straně, ovládání skóre hostů mají na straně pravé. Tlačítkem s názvem týmu a +1 se přičte jeden bod danému týmu, -1 odečte jeden bod. Reset vynuluje skóre na údaj 00:00. Stisk tlačítka vlastní vyvolá zobrazení dialogu s výzvou k zadání vlastního údaje, ze kterého se bude dále vycházet při přičítání/odečítání bodů (pro oddělení lze použít libovolný znak, zobrazen je 1,2,4 a 5 znak, na ostatní není brán ohled). Je-li skóre nulové, nelze odečítat do záporných čísel ani přejít na nejvyšší hodnotu - údaj 00:00 stále zůstává.
    Odpočet
    Zatím poslední funkcí je odpočet. Maximální čas, od jakého lze odpočítávat je 23:59:59 - tedy 1 den bez sekundy. Jak údaj postupně klesá, přechází se od zobrazení hodin a minut k minutám a sekundám. Odpočet lze kdykoli zastavit stiskem tlačítka stop, údaj změnit a opět spustit odpočítávání. Během odpočtu je pole pro zadávání času neaktivní (zakázané).

    Závěr

    Věřím, že konstrukce ušetří mnoho práce v tělocvičnách při sportovních utkáních a jiných sportovních činnostech. Osvědčí se i při pořádání turnajů ve stolním tenise a fotbale. Program si klade minimální nárok na výkon počítače a proto by měl být schopen běžet i na strojích s procesorem 486 a Windows 95 (a staré PC tak nalezne uplatnění).

    Ke stažení


    Vložit nový komentář

    Jméno
    E-mail
    Kód Napište sem druhé slovo této věty
    Text

    Komentáře k článku

    Zatím nebyly přidány žádné komentáře
    :: Úvod :: Elektronika :: Programy :: Ostatní :: Kontakt ::

    Vyhled�v�n�

    Novinky

    18. 6. 2010 Graf funkce 18. 6. 2010 Barvy 18. 6. 2010 Běh widows
    KonstrukceSvětelné efekty s 7489Hodiny, stopky, skóreMultibarevné světloDetektor EMSPraxeBarevný kód rezistorůČasovač 555