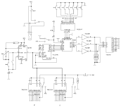
Zapojení využívá dnes již historický obvod 7489, pro zobrazení světelných efektů na dvoubarevném led displej o rozměrech 8×8 led diod. Jedná se o paměť s organizací 16×4 bity. Zapojení je jen jakousi hrou na procvičovaní logického myšlení a nebo může posloužit jako jednoduchá ukázka práce s pamětí.
Centrem celého zapojení je paměť Io3 7489, dnes se již nevyrábí, a proto bude možná problém ji sehnat. Organizace 16×4 bity znamená, že na každou z 16-ti adres lze uložit čtyřbitové číslo (0 – 15). Lze ji nahradit jakoukoli jinou o stejné či větší kapacitě. Pro účely našeho zapojení by stačila i paměť 16×3 bity, ale taková paměť neexistuje. Na škodu by nebyl ani větší počet, adres (možnost vytvářet složitější obrazce). Další alternativou je nahradit paměť čítačem, který by čítal od 0 do 7 a zase zpět. Tím by se ale výrazně omezila kreativita celé konstrukce. Nutno podotknout, že se jedná o paměť typu RAM, což má za následek, že po odpojení napájení se všechny informace v ní uložené nenávratně ztratí. Řešením by bylo napájení paměti nevypínat vůbec a jen připojit pin /CE (Chip enable) na napájení, čímž dojde k deaktivaci paměti a má potom mnohonásobně menší odběr, ale data v ní zůstanou zachována. Tuto možnost jsem vzhledem k hodnotě informací uložených v paměti vypustil. Dalším nedostatkem paměti je skutečnost, že výstupy (Q0 - Q3) jsou negovány, čli nezbývá nic jiného, než je pomocí tří invertorů Io4 negovat zpět.
Adresy paměti ovládá binární čítač Io2, měl jsem zrovna doma typ 74LS191, tak jsem ho použil, ale jsem přesvědčen, že náhradou za jiný ekvivalentní typ efektivita ani funkce zapojení nijak neutrpí. Na vstup <í>clk se přivádí hodinový signál generovaný časovačem Io1 555. Při zápisu dat do paměti se díky spínači S8b rozpojí obvod časovače, a tudíž časovač nepracuje. Pracuje jen tehdy, je-li stisknuto tlačítko S9 a to většinou stačí vykonat jen jeden impuls (záleží na kmitočtu časovače daném odporem potenciometru P1 a délce stisku tlačítka). Potenciometrem P1 lze regulovat kmitočet časovače v rozsahu asi 1,4 - 1400 Hz. Jakmile se paměť nachází v režimu čtení, nic nebrání časovači v normálním běhu (S8b je sepnut). Led dioda D1 slouží pouze k indikaci zápisu do paměti.
Jako vstup dat do paměti slouží talčítka S1 – S7 zapojených na dekodér Io5, který převádí hodnotu aktivního vstupu na čtyřbitové číslo. Výstupy dekodéru přímo ovládají vstupy dat D0 - D2, vstup D3 je připojen na zem, ale není to podmínkou, neboť odpovídající výstup Q3 není použit.
Jak jsem již výše psal, výstupy paměti musí byt negovány, aby měly normální hodnoty. Po negaci jsou ošetřeny pull-down rezistory R2 - R4 a přivedeny na Io6, který je pravým opakem Io5, aktivuje výstup s hodnotou odpovídající číslu na vstupu. Na negované výstupy 0 - 7 jsou připojeny katody matice led diod.
Za zmínku jistě stojí i samotná zobrazovací jednotka, matice dvoubarevných led diod o rozměrech 8×8 led. Obsahuje 64 dvoubarevných led diod se společnou katodou.
Dalším, neméně důležitým prvkem zapojení je ovládání anod matice led diod. Ovládání je řešeno pomocí dvou shodně zapojených posuvných registrů Io7 a Io8, přičemž první ovládá zelené anody a druhý červené. Činností posuvného registru je, stručně řečeno, načítat v rytmu hodinových kmitů data na vstupu a s dalším hodinovým kmitem je posunout o jeden výstup výš. Dosáhnou-li konce tak se ztratí. Ne tak v našem zapojení, zde dosáhnou-li konce se vrací zpět na vstup, díky přepínacímu tlačítku S12, respektive S11 u Io8. Hodinový signál je společný s čítačem adres Io2. Tlačítko S10 slouží k vymazaní registru, což je velmi výhodná funkce, neboť díky triku s opakování může dojít snadno k zaplnění všech výstupů úrovní Log. H, kdy nic jiného než reset nepomůže. Rezistory R6 a R7 jsou opět pull-down.
Přístroj je možné napájet jak z baterií, tak z adaptéru. Vše je řešeno pomocí přepínače S 15. Není-li v konektoru J1 nabíječka, tak se přepínačem S15 zapíná a vypíná přístroj. Ovšem je-li v konektoru J1 nabíječka, tak lze pomocí S13 volit mezi napájením a nabíjením z nabíječky. Akumulátory jsou stejného typu o napětí 1,2 V a kapacitě alespoň 500 mAh.
Všechny součástky, až na ovládací prvky a displej jsou umístěn na jednostranné desce plošných spojů (viz příloha ke stažení). Jednostranné provedení desky je vykoupeno větším množstvím drátových propojek. Tlačítka S1 - S7 jsou umístěna na samostatné desce stejně jako talčítka S8 - S12. Jinak je celý přístroj včetně baterií umístěn v krabičce U-KM 29 (označení dle GM).
Zapojení vývodů led displeje je na obrázku, vývody jsou v pořadí: společná zem, zelená anoda, červená anoda.

Vzhledem k počtu ovládacích prvků je obsluha přístroje poněkud složitější, ale po krátkém používání si na ni každý zvykne.
Potenciometr vytočte tak, aby měl maximální odpor. Stiskněte tlačítko Green (S12) nebo Red (S11) právě tak dlouho, aby se na displeji rozsvítil jeden bod odpovídající barvy. Uveďte paměť do režimu zápisu stiskem R/W (S8). Bod na displeji se přestane pohybovat. Pomocí tlačítka Step (S9) posuňte bod do levého dolního rohu. Stiskem jednoho z tlačítek S1 - S7 (stisknete-li jich více, tak to s vyšší hodnotou má vyšší prioritu) umístíte bod na displeji na požadovanou pozici (pozor, tím jste ještě neprovedli zápis do paměti). Zápis do paměti se provede se provede stiskem tlačítka Step (S9). Bod se posune o krok doprava. Uvolněním tlačítka Step jste provedli zápis do paměti. Tento postup můžeme opakovat ještě 15×, než se zaplní celá paměť. Ovšem po osmém zápisu do paměti skočí bod na pozici na které je již něco uloženo. Je tomu tak, protože posuvné registry Io7 a Io8 mají jen 8 pozic, na displeji je také jen 8 sloupců, ale paměť má 16 adres, tedy dvakrát tolik. To umožňuje pro každou pozici v registru uložit dvě vertikální pozice bodu. Pochopitelně lze uložit více bodů do posuvného registru, ale budou to jen takové „ocásky“. Barvy lze míchat, smísením červené a zelené vznikne oranžová. Po dokončení zápisu do paměti přepneme přístorj tlačítkem S8 do režimu čtení, D1 zhasne. Potonciometrem P1 nyní regulujeme rychlost přehrávání.
Tlačítkem S10 lze smazat obsah posuvných registrů. Paměť Io3 žádný reset nemá, nová data přepíší ta stará.